Ваш город Москва?
Да
Другой город
Выберите город

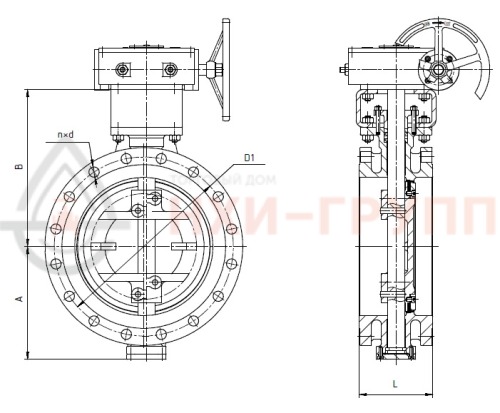
Затвор дисковый поворотный с тройным эксцентриситетом фланцевый двусторонний с редуктором DN 400 PN 2,5 МПа

логотип завода НефтеХимИнженеринг
Арт. A00000000076733
70 рабочих дней
821 000 ₽
Цена актуальная на 07-02-2026
Без учета НДС
Доставка и оплата
Доступна отсрочка платежа

Условия и детали уточняйте у менеджера

Предоставляется расширенная гарантия на товар

Предложения поставщиков
Состояние Склад Цена
Новый
Новый
НефтеХимИнжиниринг
821 000 ₽
Детали
Характеристики
Артикул
A00000000076733
Стандарт
ТУ 3742-002-09212465-2016
Тип затвора
С тройным эксцентриситетом
Тип присоединения
Фланцевое
Направление подачи рабочей среды
Двустороннее
Тип привода
Редукторный
DN, мм
400
PN, кгс/см²
25
Материал уплотнения
PTFE
Материал корпуса
Коррозионностойкая сталь с содержанием молибдена CF8M
Материал диска
Коррозионностойкая сталь с содержанием молибдена CF8M
Класс герметичности
«А» по ГОСТ 9544-2015
Рабочая среда
Вода, воздух, пар, природный газ и газообразные углеводороды, нефть, нефтепродукты, коксовый газ, аммиак, кислоты, щелочи, спирты
Температура рабочей среды, °С
От -40 до +200
Температура окружающего воздуха, °С
От -40 до +45
Климатическое исполнение
УХЛ1
Приемка
ОТК
Назначенный срок службы, лет
30
Назначенный ресурс, циклов
3300
Наработка на отказ, циклов
1400
Гарантия
12 месяцев со дня ввода в эксплуатацию, но не более 18 месяцев со дня отгрузки потребителю
Масса, кг
229
Описание

ТД «НХИ» поставляет Затвор дисковый поворотный с тройным эксцентриситетом фланцевый двусторонний с редуктором ЗДП-ТЭ.Ф.ДС.РД.НХИ.400.025.05.04.04.УХЛ1 DN 400 PN 2,5 МПа в России и Москве за 821000 р. 

Затвор дисковый поворотный с тройным эксцентриситетом фланцевый двусторонний с редуктором ЗДП-ТЭ.Ф.ДС.РД.НХИ.400.025.05.04.04.УХЛ1 DN 400 PN 2,5 МПа Фланцевое используются в задачах нефтехимической промышленности гдетребуется устойчивость к агрессивным средам и температурам уровня + 200 °С. Могут работать в качестве запорной и регулирующей арматуры. По требованию клиентаЗатвор дисковый поворотный с тройным эксцентриситетом фланцевый двусторонний с редуктором ЗДП-ТЭ.Ф.ДС.РД.НХИ.400.025.05.04.04.УХЛ1 DN 400 PN 2,5 МПа 400 укомплектовываются электро- или пневматическими приводами.

Содействие в проектировании
Наши специалисты оказывают содействие заказчику на всех этапах проектирования:
Подбор оборудования по заявке, предоставление технической информации, установление стоимости оборудования, ориентация по срокам исполнения заказа.
Затвор дисковый поворотный с тройным эксцентриситетом фланцевый двусторонний с редуктором ЗДП-ТЭ.Ф.ДС.РД.НХИ.400.025.05.04.04.УХЛ1 DN 400 PN 2,5 МПа
Арт. A00000000076733
Затвор дисковый поворотный с тройным эксцентриситетом фланцевый двусторонний с редуктором ЗДП-ТЭ.Ф.ДС.РД.НХИ.400.025.05.04.04.УХЛ1 DN 400 PN 2,5 МПа
821 000 ₽ ?
Быстрый заказ
Запрос отправлен
Пожалуйста, ожидайте. Менеджер свяжется с вами в ближайшее время
Быстрый заказ
Арт.
Количество
Цена
?
Имя *
Телефон *
Адрес электронной почты *
Цены
Выгоднее вам не найти
Качество
Гарантия на все товары
Ассортимент
Один из самых больших
Производство
Российское литье и поковка
Чего же вы ждете?
Получите выгодное предложение

Отправьте файл-спецификацию, и мы в течение часа предложим вам выгодную сделку

Запрос отправлен
Пожалуйста, ожидайте. Менеджер свяжется с вами в ближайшее время
+7 (800) 350-05-16Пн—Пт с 8:00 до 17:00
Вход в кабинет
Создайте свою учетную запись для более быстрого оформления заказов
Уже покупали у нас?
Чтобы увидеть свои персональные цены, пожалуйста, войдите в свой личный кабинет.
Товар добавлен в корзину
Арт. 205–388
1500 ₽ x 
Перейти в корзину
Оформить заказ
Запрос отправлен
Пожалуйста, ожидайте. Менеджер свяжется с вами в ближайшее время
Заказ звонка
Менеджер свяжется с вами в ближайшее время
Ваше имя *
Телефон *
Запрос отправлен
На вашу почту было отправлено письмо с дальнейшими инструкциями
Восстановление доступа
Введите email *
В списке сравнения сейчас товары из раздела
Добавление данного товара очистит имеющийся список сравнения.
Отменить
0